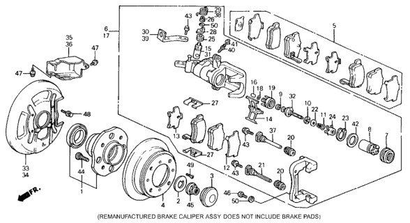
Напрямний палець, гальмівний супорт • HONDA, 43262SD2931



Напрямний палець, гальмівний супорт для авто від виробника HONDA, який має артикул 43262SD2931.
Підходить для таких моделей
Напрямний палець, гальмівний супорт від HONDA, арт. 43262SD2931 може бути застосовано у таких авто: HONDA CIVIC MK IV Ліфтбек, HONDA CIVIC IV Ліфтбек, HONDA BALLADE III Ліфтбек, HONDA CIVIC MK IV Hatchback, HONDA CIVIC IV Hatchback, HONDA BALLADE IV Hatchback, HONDA ACCORD III Sedan, HONDA ACCORD III, HONDA ACCORD III Aerodeck, HONDA ACCORD III Куп, HONDA LEGEND I Sedan, HONDA LEGEND , HONDA LEGEND I, HONDA LEGEND II Sedan, HONDA LEGEND Mk II, HONDA LEGEND II, HONDA LEGEND Mk II Купе, HONDA LEGEND II Купе, ACURA LEGEND II Куп, HONDA LEGEND Купе, HONDA CRX Mk II, HONDA PRELUDE III, HONDA CIVIC del Sol MK V, HONDA CIVIC del Sol Mk III, HONDA ACCORD VI Aerodeck, HONDA TORNEO Ліфтбек, HONDA INTEGRA Ліфтбек, HONDA ACCORD VI Sedan, HONDA ACCORD VI, HONDA CR-V III Wagon, HONDA CIVIC VIII Ліфтбек, HONDA BALLADE VIII Ліфтбек, HONDA STEPWGN, HONDA SABER, HONDA ELYSION, HONDA PRELUDE Mk II, HONDA PRELUDE II, HONDA PRELUDE Mk IV, HONDA PRELUDE IV, HONDA CIVIC Mk II Shuttle, HONDA CIVIC II Shuttle, HONDA CIVIC V Ліфтбек, HONDA CIVIC MK V Ліфтбек, HONDA BALLADE IV Ліфтбек, HONDA ACCORD IV Sedan, HONDA ACCORD Mk IV, HONDA ACCORD IV, HONDA EDIX, HONDA AVANCIER, HONDA S2000, HONDA CR-V Mk II, HONDA CR-V II Джип, HONDA CR-V II, HONDA ACCORD EURO VIII Ліфтбек, HONDA ACCORD VIII, HONDA ACCORD Mk IV Купе, HONDA ACCORD IV Aerodeck, HONDA ACCORD Mk IV Aerodeck, HONDA ACCORD IV Rural, HONDA ACCORD V Sedan, HONDA ACCORD Mk V, HONDA ACCORD V, HONDA CIVIC MK V Hatchback, HONDA CIVIC V Hatchback, HONDA INTEGRA Хетчбек, HONDA ASCOT Ліфтбек, HONDA CONCERTO, HONDA ACCORD Mk V Купе, HONDA ACCORD V Купе, HONDA CIVIC VI Fastback, HONDA CIVIC VI Hatchback, HONDA CIVIC VI Ліфтбек, HONDA INTEGRA SJ VI Ліфтбек, HONDA , HONDA BALLADE V Ліфтбек, HONDA CIVIC Mk V Aerodeck, HONDA CIVIC VI Aerodeck, HONDA ACCORD Mk VII Купе, HONDA ACCORD VI Купе, HONDA ACCORD Mk VII Hatchback, HONDA ACCORD VI Hatchback, HONDA CIVIC VI Купе, HONDA CIVIC MK V Купе, HONDA CIVIC V Купе, HONDA ACCORD Mk V Aerodeck, HONDA ACCORD V Aerodeck, HONDA ACCORD V Rural, HONDA ODYSSEY, HONDA ODYSSEY SW GRANDE, HONDA ODYSSEY Мінівен, HONDA LEGEND III Sedan, HONDA LEGEND Mk III, HONDA LEGEND III, HONDA ACCORD EURO VII, HONDA ACCORD VII, HONDA STEPWAGON, HONDA ODYSSEY Mini Passenger Van, HONDA LAGREAT Мінівен, HONDA PRELUDE Mk V, HONDA PRELUDE V, ACURA LEGEN, HONDA CIVIC VII Hatchback, HONDA CR-V IV Wagon, HONDA FIT III MONOCAB, HONDA FIT III, HONDA JAZZ III, HONDA ACCORD VIII Tourer, HONDA ACCORD VIII Універсал, HONDA CIVIC IX Куп, HONDA CIVIC IX Ліфтбек, HONDA FIT II MONOCAB, HONDA FIT II, HONDA FIT I, HONDA JAZZ II, HONDA INTEGRA Купе, HONDA LIFE, ACURA VIGO, ACURA INTEGRA Хетчбе, HONDA CIVIC Куп, HONDA (GAC) CITY, HONDA (DONGFENG) CIVIC IX, HONDA (DONGFENG) CR-V, HONDA CITY V Ліфтбек, HONDA BALLADE VI Ліфтбек, HONDA (GAC) FIT Хетчбек, ACURA INTEGRA Ліфтбе, ACURA INTEGRA Куп, ACURA LEGEND Куп, ACURA LEGEND I, HONDA CIVIC VII Ліфтбек, HONDA CIVIC FERIO VII Ліфтбек, HONDA (GAC) ACCORD VI, HONDA CIVIC VII Купе, ACURA CL Куп, ACURA R, ACURA T, ACURA RSX Купе, HONDA (GAC) FIT Ліфтбек, ACURA TSX, HONDA STREAM, HONDA STREAM I, HONDA FIT ARIA IV Ліфтбек, HONDA CITY IV Ліфтбек, HONDA FIT ARIA MK IV Ліфтбек, HONDA CITY MK IV Ліфтбек, HONDA ACCORD VII Tourer, HONDA CIVIC VIII Hatchback, HONDA CIVIC VIII, HONDA CITY III Ліфтбек, HONDA CITY Ліфтбе, HONDA THATS, HONDA (DONGFENG) CIVIC VIII, HONDA INSPIRE, HONDA RAFAGA Ліфтбек, HONDA INSPIRE VIII, HONDA VAMOS, HONDA (GAC) ACCORD VII, HONDA ACCORD VII Купе, ACURA RD, HONDA (GAC) ACCORD VIII, HONDA ELEMENT, HONDA INSIGHT, HONDA CROSSTOUR , HONDA ACCORD VIII Купе, HONDA CROSSROAD, HONDA ACCORD IX Ліфтбек, HONDA CR-Z, HONDA CITY VI Ліфтбек, HONDA GRACE VI Ліфтбек, HONDA BALLADE VII Ліфтбек, HONDA ODYSSEY IV, HONDA ACTY Автобус, HONDA ACTY Фургон, HONDA ZEST Хетчбек, HONDA ACTY Платформа/шасі, HONDA JAZZ IV, HONDA FIT IV, HONDA FIT IV MONOCAB, HONDA ACCORD CROSSTOUR Хетчбек
Ціна
Ми можемо запропонувати кращу ціну та наявність на Напрямний палець, гальмівний супорт 43262SD2931 від HONDA, тому що є прямими постачальниками автозапчастин в Україну.
Замовляйте цей товар на сайті або телефонуйте нашому менеджеру.