ua · ru
Войти График работы Мы на карте

Notice: Undefined variable: basketsize in /home/admin/web/autooil.com.ua/public_html/application/view/header.html on line 163

Notice: Undefined index: phone in /home/admin/web/autooil.com.ua/public_html/application/view/header.html on line 179
Каталог автотоваров
Каталог автозапчатей

Тормозной диск • TEXTAR, 92039300

Оценка качества
(4)
Оценка покупателей
(4)
× отменить
Код товара: 92039300
Бренд: TEXTAR - О бренде
Доставим
под заказ
Доступно   много
Отправим или забрать   через 18 дн.
от 5 116 грн.
В корзину
Перед заказом товара TEXTAR 92039300 обязательно проверяйте на совместимось с вашим авто или уточните у наших менеджеров.
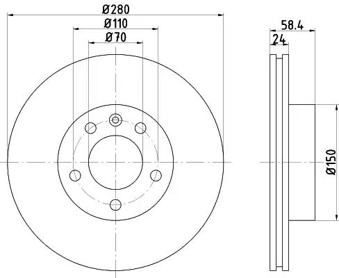
Ø фаски [мм]
110
Вес [кг]
7,1
Высота [мм]
58,4
Высота упаковки [см]
14
Диаметр центрирования [мм]
70
Длина упаковки [см]
31,3
Дополнительный артикул / дополнительная информация 2
без колесной крепящей оси; без ступицы
Минимальная толщина [мм]
21
Наружный диаметр [мм]
280
Расположение/число отверстий
05/06
Тип тормозного диска
с внешней вентиляцией
Толщина тормозного диска (мм)
24
Ширина упаковки [см]
31,3
Год выпуска до
199007; 199009
до номера шасси (ИНА)
M 1000000
Сторона установки
передний мост
Колесная база
для удлиненной колесной базы
Смотреть все
Оплата
· наличными в офисе
· безналичная на карту
· наложенный платеж у перевозчика
Доставка
· самовывоз из офиса
· курьером по Киеву
· Новая Почта по Украине
Гарантия
· гарантия от производителя
· гарантия от Auto Oil
Возврат
· 14 дней после покупки
Описание
Свойства
Аналоги
Применимость
Комментарии и отзывы

Тормозной диск для авто от производителя TEXTAR, который имеет артикул 92039300.

Подходит для таких моделей

Тормозной диск от TEXTAR, арт. 92039300, ean 4019722110979 может быть использован в таких авто: OPEL OMEGA A, VAUXHALL CARLTON Mk III седан, OPEL SENATOR B, VAUXHALL SENATOR Mk II, OPEL OMEGA A универсал, VAUXHALL CARLTON Mk III универсал

Цена

Мы можем предложить лучшую цену и наличие на Тормозной диск 92039300 от TEXTAR, (EAN: 4019722110979) так как являемся прямыми поставщиками автозапчастей в Украину.

Заказывайте этот товар на сайте или звоните нашему менеджеру.

Ø фаски [мм] : 110
Вес [кг] : 7,1
Высота [мм] : 58,4
Высота упаковки [см] : 14
Диаметр центрирования [мм] : 70
Длина упаковки [см] : 31,3
Дополнительный артикул / дополнительная информация 2 : без колесной крепящей оси; без ступицы
Минимальная толщина [мм] : 21
Наружный диаметр [мм] : 280
Расположение/число отверстий : 05/06
Тип тормозного диска : с внешней вентиляцией
Толщина тормозного диска (мм) : 24
Ширина упаковки [см] : 31,3
Год выпуска до : 199007; 199009
до номера шасси (ИНА) : M 1000000
Сторона установки : передний мост
Колесная база : для удлиненной колесной базы
+
Отзывов к этому товару еще нет.